网站首页
Home
公司简介
About us
新闻资讯
News Center
产品中心
products
产品目录
Menus
设备展示
Equipment
联系我们
Contact Us
电子邮局
Postoffice
产品导航
/
Products
关于我们
过滤设备
静态混合器
加热设备系列
动态混合设备
消声器
纸张专用设备
管用专用小型设备
油罐附件系列
煤气管道排水器
您当前的位置:
首页
>>
过滤设备
>> SBT直角T型法兰连接过滤器
SBT直角T型法兰连接过滤器
加入时间:
2014-2-27 9:37:49
点击:
次
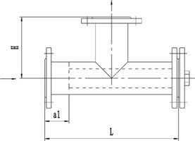
SBTⅠ直角T型法兰连接过滤器
DN80-400、PN≤5.0MPa,(见图四、表5)
表5
图四
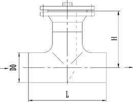
SBTⅡ直角T型对焊连接过滤器
DN50-400、PN≤10.0MPa,(见图五、表6)
图五
表6
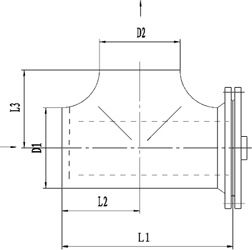
SBTⅢ直角T型对焊连接过滤器
DN50-400、PN≤10.0MPa,(见图六、表7)
图六
表7
上一页:
SB系列管道过滤器概述
下一页:
SBL过滤器
[ 其它相关文章 ]
SBL过滤器
ZJD系列刷式自洁式过滤器
ZJD系列自洁式过滤器电控装..
SB系列管道过滤器概述
袋式精细过滤器
活性碳过滤器
ZJDLⅢ型反冲洗式自洁式过..
SBY角式直通法兰连接过滤器